Проблем с късите светлини Мондео МК2
-
Krasi1
- потребител

- Мнения: 11
- Регистриран: 03 апр 2009, 14:55
- Модел на автомобила: Ford Focus 1.6 100 Hp 2007 Ford Transit D 91
- Местоположение: Перник
- Status: Извън линия
Проблем с късите светлини Мондео МК2
Здравейте, колеги!
Проблема мие следния. Преди известо време след включва не на фаровете ми светна лампата на инфо дисплея за изгоряла крушка на десен къс.Проверих, че наистина не свети, отидох и купих нови крушки. На връщане от магазина вече нямаше проблем без да съм цменявал нищо.Инфото не светеше и на светофар в бронята на предната кола виждах отражението на двата фара. И така доследващото гасене наколата. Фарапак не свети!
Смених крушката която се оказа здрава, проверих предпазителя- здрав. Реле изправно.
При подавахе на ток директно от акумулатора -свети значи има маса. С мултицет замерих напрежението в буксата
на пина за къси - 10.3 V.
Сега за да имам фарове съм пуснал кабел от предпазителя за фара 12+ V и съм прекъснал кабела на буксата.
Фарове имам обаче вътре на таблото пак свети за изгоряла крушка, а не е.
Та ако някой има представа след предпазителя, къде отива тази жица , понеже цветовете при букса и бушон са различни.Да помогне да възстановя нормалното състояние на инсталацията.Благодаря предварително!
Проблема мие следния. Преди известо време след включва не на фаровете ми светна лампата на инфо дисплея за изгоряла крушка на десен къс.Проверих, че наистина не свети, отидох и купих нови крушки. На връщане от магазина вече нямаше проблем без да съм цменявал нищо.Инфото не светеше и на светофар в бронята на предната кола виждах отражението на двата фара. И така доследващото гасене наколата. Фарапак не свети!
Смених крушката която се оказа здрава, проверих предпазителя- здрав. Реле изправно.
При подавахе на ток директно от акумулатора -свети значи има маса. С мултицет замерих напрежението в буксата
на пина за къси - 10.3 V.
Сега за да имам фарове съм пуснал кабел от предпазителя за фара 12+ V и съм прекъснал кабела на буксата.
Фарове имам обаче вътре на таблото пак свети за изгоряла крушка, а не е.
Та ако някой има представа след предпазителя, къде отива тази жица , понеже цветовете при букса и бушон са различни.Да помогне да възстановя нормалното състояние на инсталацията.Благодаря предварително!
- OgiDogi
- потребител

- Мнения: 2048
- Регистриран: 01 фев 2009, 00:09
- Модел на автомобила: Orion 1.6DL '83 -> Mondeo 1.8TDi '97 с газ -> Focus 1.6 TDCI '07
- Местоположение: Сливен
- Status: Извън линия
Re: Проблем с късите светлини Мондео МК2
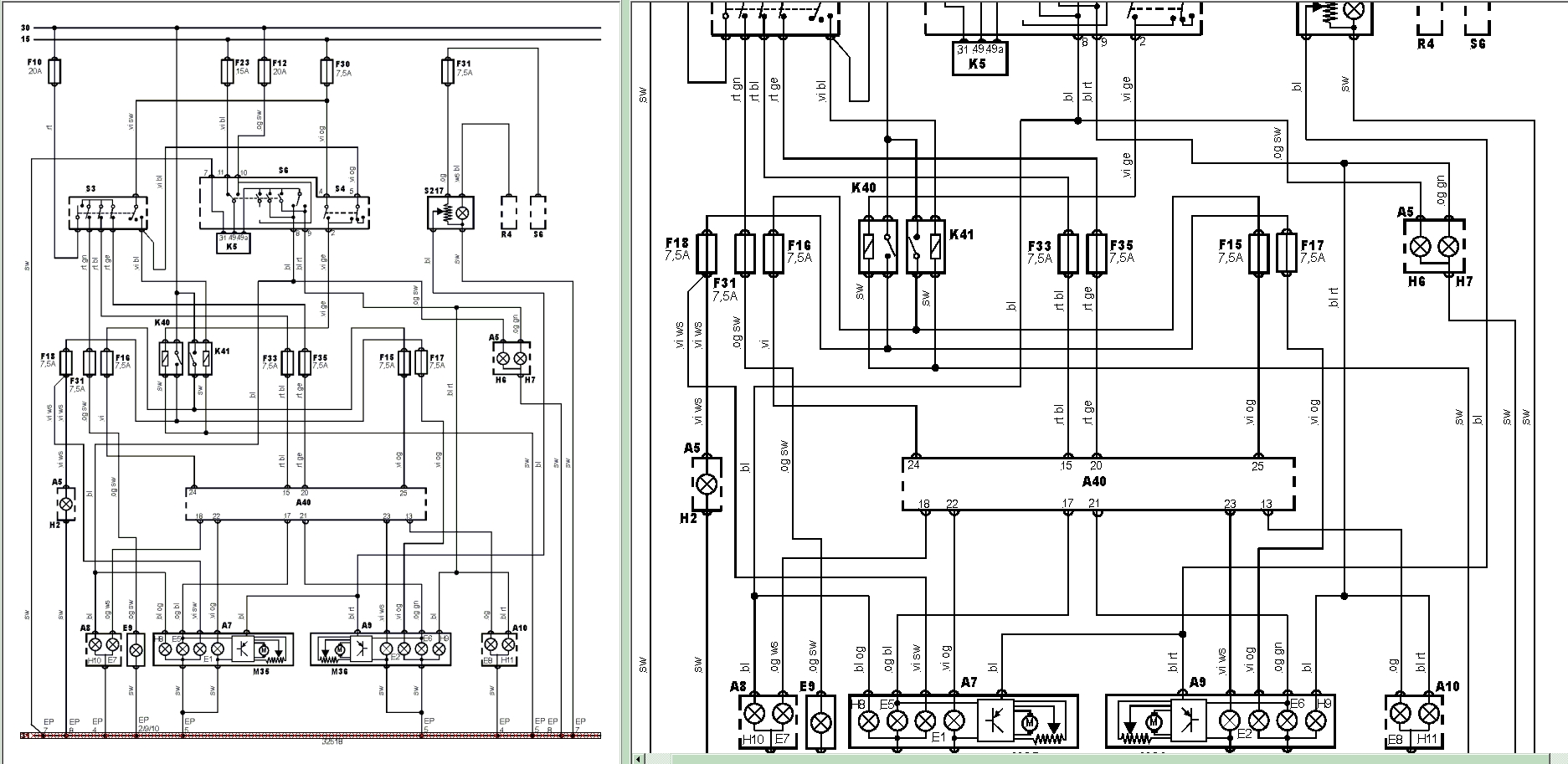
Схемата на фаровете с модул за изгорели крушки от Autodata:
-
Krasi1
- потребител

- Мнения: 11
- Регистриран: 03 апр 2009, 14:55
- Модел на автомобила: Ford Focus 1.6 100 Hp 2007 Ford Transit D 91
- Местоположение: Перник
- Status: Извън линия
Re: Проблем с късите светлини Мондео МК2
Благодаря!
Кой е на линия
Потребители, разглеждащи този форум: Няма регистрирани потребители и 15 госта

